非贴片式元器件的电子元器件本身,可以承受较多的产信息内容,如型号规格、生产商、商品编号等。贴片式元器件的容积或规格是以mm为计的,元器件本身上不允许标明过多的信息内容,标志方式通常有:
1)简单化标志法。将基本标志型号规格开展简单化,如将74LS14(六反相器数据IC)标志为LS14;
2)编码标明法,将标志进一步简单化,称之为编码标明法。如贴片式晶体三极管的-24、1L等,更好像登陆密码,必须用材料“破解”后,才可以了解标志身后元器件型号规格的含意;
3)无标志。小输出功率(如16/1W)电阻,和(PF等级)小容积电容器,因元器件本身过小,没法印出标志,索性就变成无标志元器件。
新手常常遭遇那样令人费解又能十分烦恼的问题:怎样由IC元器件上的标明编码(也称烫印),分辨有哪些元器件?如何查找有关IC的电源电路材料?无标志(烫印)元器件怎样判断有哪些元器件,怎样精确测量其优劣?能否用其他型号规格的元器件(乃至非贴片式元器件)对贴片式元器件开展代用?贴片式元器件的封装类型有什么啊?这些。
电阻
贴片式电阻器是线路板上运用总数最大的一种元器件,样子为矩形框,灰黑色,电阻器体上一般标明为乳白色数据(中小型电阻器无标志,称无烫印电阻),变频调速器生产商在电路板上标明的元器件系列号为R(如R1、R147等)。电阻的主要参数有允差电阻值、最大功率、偏差等级,此外也有最大应用工作电压、温度系数等,大家只需关心允差功电阻值和最大功率值二项主要参数就可以了。
图1 电阻外观图
1、电阻的运行主要参数和类型
1)额定值电阻值。最多见的有数据标志法。
a、用3位数据阻值。前2位为十位、个位数值,为合理标值,第3位是0的数量或称之为10的X三次方。如标明为152,即是1500Ω;101,即是100Ω;103,即是10000Ω(10 kΩ)。
1Ω左右的值加R表明,如1R5,即1.5Ω;R10,即0.01Ω。
b、用4位数字表示阻值。前3位为有效值,即千位、数百位和个位数值,第4位为0的数量。如标明为1501,即是1500Ω;标明为1000,即是100Ω;标明为681,即是680 Ω;标明为1003,即是100kΩ。1Ω左右的值加R表明,跟上面一样。
3色盘和4色盘电阻值标明法,不普遍,标明标准同一般电阻器,不予以赘述;精密型电阻,用编码标明法,由两个数据加一位编码构成,前俩位数据为有效值,第3位英文字母为乘标值。如01A——100Ω,02 C——100kΩ,不普遍,但须留意!
2)最大功率。选用数据标志的电阻多见灰黑色,其输出功率等级分成1/20W、1/16W、1/8W、1/10W、1/4W、1/2W、1W等,以1/16W、1/8W、1/10W、1/4W运用较多,一般输出功率越大,电阻器容积也越大,输出功率等级是伴随着规格逐渐增长的。此外同样的外观设计,色调越重,输出功率值也越大。损耗输出功率为1W或1W以上的电阻器,充分考虑排热规定,不可与印刷电路板直接接触,因此全部电源电路板上采用的电阻,一般全是低于1W的。电阻的输出功率值受到限制,故在线路中必须较大功率电阻的地区,常常选用多个电阻并接(加串连)的方式,来扩大输出功率值。电阻的输出功率值没有电阻器体上立即标明,可以依据电阻器的“块头”来分辨电阻功率值的尺寸。
换用电阻器元器件时,一看数据标明的阻值,二看电阻器的容积尺寸,合乎二者标准时,就可以代用。
3)贴片式融断电阻器。这也是电阻中的一个特殊类型,出自于电源电路安全性考虑到,不适合用一般电阻给予代用,或随便用输电线短路。
贴片式融断电阻器,是在电源电路中具有熔断器维护功效的一种独特电阻,一般是串连于某模块电源电路的配电环路中,当穿过该电阻器的电流量超出一定标值,则其电阻器层迅速融断,断开电源电路该模块电源电路的配电开关电源,防止常见故障扩大。其电阻器体的数据标明为000或0,是贴片式融断电阻器的特点,精确测量其一切正常阻值为0Ω。
4)贴片式排阻。这也是另一种类的电阻,最普遍为4管脚2元器件贴片式排阻、8管脚4元器件电阻和10管脚8元器件贴片式排阻,8此脚4元器件贴片式排阻其內部带有4只同阻值的互不相关的电阻器元器件,标明为472的贴片式排阻,指內部带有4只电阻值为4.7k的电阻器元器件,用以集中化应用同样电阻值电阻器元器件的电源电路,如MCU管脚的上台电阻器,在MCU的插口电源电路中运用较多。

图2 贴片式排阻与內部闭合电路
2、怎么判断电阻的电阻值和输出功率尺寸?
假如能清楚看得出电阻体上的数据标志,分辨阻值和输出功率值自然不存在的问题。假如毁坏电阻器自身无标明,或已损坏得遍体鳞伤,看不清楚标明,那麼代用前的阻值分辨就需要费一点波折了,并且也务必保证心里有数,才可以作出下一步的修补。有什么方式可以做出比较精确的分辨呢?
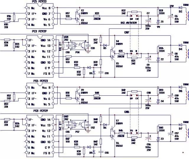
1)参照本型号的同样电源电路中比较应元器件的阻值。变频调速器电源电路中的同样电源电路许多,如6路IGBT推动单脉冲传送安全通道,在其中6个环路是彻底一样的,从MCU差分信号导出管脚,至缓存电源电路、至推动IC,至IGBT的栅、射极电源电路。一切在其中1路或多个环路中的电阻器或其他元器件毁坏,很有可能参照未损坏环路中贴片式元器件的变量值,如无标志,可在电路板上精确测量明确或将元器件焊脱线路板开展测量。3相导出电流量(脉冲信号)的传送安全通道,3个信号检测电源电路也是一般也是完全一致的,一路有毁坏时,很有可能未损坏双路中的元器件主要参数,明确破损元器件的变量值。
如下图2-9所显示,PC5与PC6双路推动IC的外围电路的元器件主要参数完全一致;PC3与PC8双路推动IC的外部元器件主要参数完全一致,R17=R51、R23=R48、R22=R49……,当PC3外部有元器件毁坏坏,可以“生搬硬套”PC5相对性应外部元器件的变量值开展修补。
同样,对晶体三极管、二极管、IC芯片等其他元器件的毁坏,当没法明确破损元器件主要参数时,可以参考同种类电路元件的变量值开展代用修补。

图3 参照同样电源电路中元器件主要参数平面图

图4 MCU管脚的上拉电阻的电源电路平面图
如下图4所显示,U2的单脉冲管脚的上拉电阻为5.1k,在3.3~10kΩ的范围内。
3)参照类似型号明确元器件变量值。沒有同样电源电路很有可能参照,也不可以像下拉、下拉电阻一样可以大概“估计”出元器件的主要参数,寻找类似型号开展核对精确测量,也可以明确破损元器件的变量值。
4)调节实验得到元器件的变量值。如果没有类似型号开展参照,必须费点气力测绘工程出该一部分电源电路,搞搞清楚毁坏电阻器在线路中的具体位置和实际功效,与其他元器件的衔接方式,“估计”出大概的阻值,若仍无把握,将毁坏电阻器,临时连接电阻器,变频调速器通电,调节电阻器开展实验,相互配合人力数据信号给出、后面电源电路对数据信号进行的反映、控制面板表明等,测到电阻器的阻值,从而明确毁坏电阻器的主要参数。
3、贴片式电阻的测量及外型查验
1)用数字万用表在线测量,阻值超过允差值时,表明元器件有短路性常见故障或阻值增加,早已毁坏;测定电阻值低于允差值时,要考虑是外部并接元器件对其引起的危害,应将元器件一端或两边松掉电源电路开展精确测量,便于得到准确的测定結果。
2)电阻的外型特点如下所示:
a、电阻表层二次玻璃体防护膜应遮盖完好无损,发生掉下来,很有可能早已毁坏;
b、元器件表层应该是整平的,若重现一些“凹凸”,很有可能毁坏;
c、元器件引出来端电级一般应整平、无裂缝针眼、无掉色状况,假如产生裂痕,很有可能毁坏;
d、电阻体表层色调烧黑,很有可能早已毁坏;
e、电阻器体早已形变,很有可能毁坏。
4、电阻的代用
电阻的代用,除开规定阻值一样外,还特别注意规格和输出功率值。小数据信号电源电路(如MCU电脑主板电源电路)最先规定规格一致,有利于电焊焊接安裝。代用常见问题如下所示:
1)严苛按原主要参数代用。仿真模拟信号分析电源电路,如占比放大仪电源电路,对输入阻抗、意见反馈电阻器的选值严苛,代用组件的阻值,应与原毁坏元器件一样,不允许差别过大,不然会引起电源电路工作失职。
2)用以模拟电路的元器件,以上接、上拉电阻、防护电阻器等,选值有一定范畴,只需令数据信号工作电压转变显著,合乎高、低电频的标准范畴就可以。最先应取用同样主要参数的元器件代用。若手头上确实不可以寻找同电阻值元器件,则可以用标值贴近的元器件代用,一般并不会直接影响到电源电路特性。如4.7kΩ电阻器毁坏,用5.1kΩ或6.8kΩ电阻器均可以开展代用修补。
3)可以用非贴片式元器件代用。电阻的耗损率极低,除开光耦电路因很有可能遭到弱电冲击性常常毁坏(可购用一部分配件),其他电源电路的元器件都不毁坏,很有可能有1只或二只毁坏,种类不一,也没法购买配件。碰到该类毁坏元器件,用非贴片式的1/4W或1/8W一般电阻器,来代用也是没有问题的,并不是找不着原零配件就造成检修进展的“卡住”。自然电焊焊接时要留意,搞好导线整形美容,尽量使导线短些,电焊焊接后若必须涂敷704胶结构加固,也可以做到高品质的修补规定。
贴片电容
贴片电容是电路板上运用总数较多的一种元器件,样子为矩形框,有淡黄色、青绿色、灰绿色,以透明色淡黄色者为普遍(系高溫煅烧而成的陶瓷电容,没法印出标志)。小容积(皮发级)电容器体上一般无标志,微发级电容器才有标志(运用很少,容积稍大的电容器,应用带导线的插口电容器)。变频调速器生产商在电路板上标明的元器件系列号为C(如C1、C47等),因为变频调速器具体线路板的元器件安裝紧密,一般只标明编号,而不标明容积值。贴片电容的主要参数有容量、工作标准电压、漏电流、偏差等,用以小数据信号电源电路的配电工作电压一般为15V下列,如MCU电脑主板的配电为5V,因此具体运用中,仅特别注意第一个主要参数容量和规格(有利于安裝)就可以了。

图5 无正负极贴片电容、和贴片电解电容贴片式元器件外观设计图
运用于变频调速器电源电路的贴片电容,关键有没有正负极小容积贴片电容(用以IC小数据信号过滤,抑止振铃)、有正负极贴片钽电容(为电解电容器的一种,用以开关电源导出端过滤)二种,抗压在63V下列。容积在10微法级和高抗压电容器,通常选用一般电力电容器。
1、无标志贴片电容的容积估计、检验和代用
1)用以开关电源电路电源电路的配电导出端及IC电源电路的配电键入端贴片电容,见上图电源电路左边元器件图例。
在配电导出端,与(过滤)电解电容器并接在一起。因电解电容器系导电性极片和绝缘层物质倒丝机在一起,具备“电感器效用”,高频率过滤实际效果差。并接小容积电容器,滤掉整流器后的高频率谐波失真成份。电源电路中IC的配电端,也都加上高频率耦合电容,以消化吸收(很有可能存有由导线产生的生存电感器或由某类影响产生的)开关电源振荡。该类电容器的容量一般为0.01~0.1μF上下。此类电容器对容积规定并不严苛,设备故障率也非常低。如查验看到有毁坏,换用0.01~0.1μF范畴内的电阻全是可以的。
2)转录因子中的低通过滤器使用的贴片电容。带通滤波器电源电路,用以对数据信号中的某一频率段内的高频率成份开展损耗和消化吸收,只规定在其中的数据信号中的低频率成份(乃至直流电成份)根据。变频调速器的信息传送通道中,多用来将脉冲直流电数据信号经RC电路转换成直流电数据信号,因此该电源电路中的容量大概在0.01~0.47μF上下,由于电阻器R的功效,尽管容量较小,但RC总的稳态值并很大,也可以做到不错的过滤实际效果。如不太好确定容积尺寸,可以用0.01~0.47μF之内容积的电容器实验,以经RC过滤后无显著单脉冲动成份为宜。
3)具备特殊容积的贴片电容。如MCU晶振电路管脚的无功补偿柜,其容积与MCU种类和晶振电路工作频率有关,可由MCU的相关资料,和晶振电路元器件的标明工作频率值,明确该电容器的容积,一般为33PF或22PF、15PF。
贴片电容的破坏状况和检验方式:
a、同一种类的电容器,块头越大或色调越重,容积也越大。电容器的容积可以用专用型的电容测试仪来测量,现阶段一些数字万用表,也额外该项作用。测容量时,须将贴片电容最少松掉一端,清除外电路的危害后,再次检验。
b、用数字万用表检验。假如在线监测,万用表测量得到电容器两管脚中间的的阻值,实际上是与电容器相互连接的外电路“综合性阻值”,若电容器处在短路故障或趋于短路故障状况(阻值极低)下,才可以有一定的体现。将电力电容器松掉原电源电路,精确测量其阻值应是无穷。用表针表的×10k挡精确测量时,0.1μF上下的电容器表针有颤动(电池充电)状况,静止不动后归入无穷。若测出固定不动阻值,表明电容器毁坏。
c、通电检验,由电源电路分辨该点工作电压消沉,可能是电容器短路造成,见下面的图电源电路实例。这也是一个比较好的方式。
如下图6所显示电源电路中,精确测量a点工作电压标准值应是R221、R22对3V配电的分压值1.5V,若精确测量工作电压值高过1.5V,很有可能系电容器C112走电毁坏而致;测b点工作电压标准值应是3V,若小于3V,很有可能系电容器C56走电毁坏而致。

图6 工作电压走电造成A点工作电压减少
进一步,可将C112或C56焊脱电源电路,对其管脚阻值开展精确测量认证。
当贴片电容毁坏时,也同明确电阻的电阻值一样,可参照同行电源电路,测到好的电阻元器件的容量,来明确常见故障电容器的主要参数。如晶振电路管脚电容器损坏一只,测另一脚电容器元器件的容量就可以,二只电容器的容积是一样的。
常见故障电容器的代用:贴片电容的设备故障率较低,各种规格型号的贴片电容都需要配件,显而易见并不是实际的。有时候看到毁坏元器件时,用一般的同容积瓷砖或涤纶电容器来代用,是彻底可以的,留意导线尽可能要短,电焊焊接品质好些。
2、有正负极(有标志)贴片电容的容积鉴别、检验和代用
有正负极贴片电容的外观设计如2-11中右边元器件图所显示,一般有矩形框贴片式,圆柱型贴片式二种方式,后者的标志与样子与一般电力电容器类似,便于识别,不做探讨。矩形框贴片电容的色调多见银色或灰黑色,标着横杠的一端为正级(也可根据其在线路中的接口方式进一步分辨——带横杠的一端与配电开关电源的阳极联接)。依据封装类型不一样,抗压分成A(10V)、B(16V)、C(25V)、D(35V)四个级别,容量多为数微法至数十微法。
贴片电容的型号规格所包括的主要参数一般有容量、额定电流、容积偏差、规格、封装类型等,不一样生产厂家皆有差别,想记牢或弄搞清楚,真的是非常艰难(也无必需)。
贴片式有正负极电容器的标明法例举:
1)选用数据标明法,选用一位英文字母 3位数据构成,如A475,数据中前俩位为有效值,未尾为零的数量,即4700000PF=4.7μF。A为抗压等级,10V。
2)立即标明法。如16V 10,即是10μF,抗压16V的有正负极电容器。
3)四色盘标明法。色盘的色调与数据对应关系,棕(或茶褐色)1、红2、橙(或桔红色)3、黄4、绿5、蓝6、紫7、灰8、白9、黑0,同一般电阻器的色盘标明法同样。(从左至右)前两条色盘为有效值,第三道色盘为零的数量,第四道色盘为额定电流标志。如黄紫绿绿,前3环为4700000PF(4.7μF),第四道色盘表明额定电流为10V。
4)编码标识法,在沒有相关资料的情形下,就较为难以识别了。须根据编码,按材料“翻译工作”出电容器的容积和抗压等变量值来。
对常见故障电力电容器主要参数的明确,假定从标志上难以判断,则选用上文如对电阻检验分辨的其他方式,也可以做到判断和明确元器件主要参数的目地,如在线路中一般都能寻找同样标志的贴片电容,用电容器表精确测量同等标志的电容器,可以判定出容量,抗压则采用比配电开关电源高一级其他就可以,如5V配电开关电源下,可采用6.3~16V的都能够。
有正负极贴片电容的优劣分辨:
贴片电容有穿透短路故障、內部电级短路、走电、容积减少等常见故障,检验方式一般电解电容器的监测与分辨方式一样。用数字万用表测量容量,或指针式万用表的电阻拦精确测量充、充放电状况和静态数据阻值,都能够分辨电容器的优劣。
贴片式有正负极电容器的代用:
1)假如便于购到原形号、原封装类型的“原零配件”,代用更为便捷。原部件的来源于一般有两处:购置,从(电子器件元器件大型商场)经销商,或从(当当网,淘宝上可购买无法寻找原部件的二手元器件)互联网;废弃电路板上拆用。不管从哪里获得的零配件,一定要先精确测量,判断是好的,再往电路板上电焊焊接,电焊焊接前一定要有“精确测量认证”这一个阶段,防止查出来一个坏元器件,再换掉一个坏元器件,使维修进到错误观念造成修补不成功的情况产生。
2)贴片式有正负极电容器的耗损率也是非常低的。假如安裝室内空间批准,用一般的同容积和抗压符合规定的电解电容器来代用,都没有什么问题,留意选择品质优质(温度系数小,特性平稳)的电解电容器,电焊焊接管脚要短,电焊焊接后可以用704胶结构加固。
贴片电感
贴片电感元器件在线路中的使用总数较少,只是在低电压直流电操纵开关电源的输入输出端,看到其运用,与耦合电容组成CLC的π形低通滤波器,有(抑止电流量基因突变)平稳导出参数的功效。电感元件,由单电磁线圈构成,有的带磁芯(电感器量比较大),企业一般用μH和mH表明,商品流通电流为几mAh至好几百mAh。
贴片电感有环形、方型和矩形框等封装类型,色调多见灰黑色。带铁芯电感器(或环形电感器),从外表上看便于识别。但有一些距形电感器,从外观上看,更好像电阻元器件。变频调速器生产商对电路板上贴片电感的型号,标着“L”字眼。电感器的运行主要参数有电感器量、Q值(品质因素)、电阻测量、额定电压、自谐工作频率等,但贴片电感受空间局限性,大多数只标明出电感器量,其他主要参数未作标明,并且常常是间接性标明法——贴片电感本体上标明,仅仅全部型号规格的一部分信息内容,即大多数仅仅电感器量信息内容。

图7 贴片电感外观设计图
贴片电感的标明例举:具体(烫印)标明——101,详细型号规格——MPI 0610 M T 101(带有种类、规格、偏差、封装类型、电感器量等信息内容),是电感器量为100μH的贴片电感。1R1,是电感器量为1.1μH的贴片电感。有的用一个英文字母表明电感器(编码标明法),具体标明——E,详细型号规格——MPE0312NT2R7,是电感器量为2.7μH的贴片电感。
贴片电感的识别方式:
1)从外观,如带磁芯方型或环形电感器,容积稍大,能看得出磁芯和电磁线圈;
2)有的贴片电感从外观设计上与电阻一样,但沒有数据与英文字母标明,只有一个小圈圈的标明,意为电感元件;
3)在线路中的元器件编号,通常标成L字眼,如“L1”、“DL1”等。
4)有电感器量标明,如100。
5)理想化电感器的沟通交流电阻器比较大,而电阻测量为零。电感元件的精确测量阻值很小,阻值趋于为零欧母。从3)、4)、5)项,相互配合观查和精确测量(在线路中的具体位置和功效),能差别出元器件是电阻或是贴片电感,并判断出电感元件。
6)用专用型电感器量检测仪,将元器件松掉电源电路,精确测量其电感器量。
贴片电感的优劣辨别:
1)最先明确是电感元件;
2)观查外观有没有形变、掉色、断裂等,若有以上状况,很有可能早已毁坏;
3)用数字万用表的小电阻拦位(如200挡或×1挡),测电阻测量应趋于0。若精确测量阻值比较大或无穷,表明电感元件毁坏。
贴片电感的常见故障代用:
1)可从废弃电路板上拆同样型号元器件代用;
2)先明确电感器量和商品流通电流,用一般带管脚电感元件替代,并进行固定不动;
3)自主线圈电感,制做电感器代换,有一定实际操作难度系数;
4)假如对电源电路特性无显著危害,紧急修补可临时短路(仅作参考,并不倡导这一修补方式,有可能减少商品的一些特性)。
派旗纳米官网:https://paiqinano.com
派旗纳米是一家立足于深圳专注于氟改性聚酯纳米涂层材料研发制造与电子防护整体解决方案供应商,已获批国家高新技术企业,在精密电子制造工艺中为PCBA提供360度全方位防水、防潮、防腐蚀的纳米涂层保护,高效提升线路板在潮湿环境运行稳定性及降低故障售后率,是户外产品结构防水的黄金搭档,消费类电子一键防水防盐雾的好帮手,欢迎联系索取测试样品。
大量电子纳米防护涂层剂、配套喷镀设备、OEM代工服务等请关心“派旗纳米”微信公众号
纳米涂层剂理化性能详细参数直接点击:纳米电子防护涂层剂参数
技术咨询:赵先生:130 4896 4893

该文章内容提高散播新技术应用新闻资讯,很有可能有转截/引入之状况,若有侵权行为请联络删掉。
上一篇: 教大家怎么用Fotric288热像仪发现设计中的热缺陷
下一篇: MEMS传感器在穿戴产品市场的前景
派旗纳米·官方网站











